Ваш город:
Выберите город
+7 (987) 278-44-42 | +7 (900) 320-61-90 Почта для заказа: andrey_stn@mail.ru
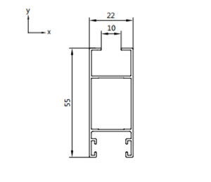
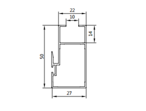
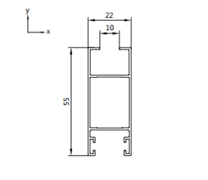
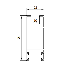
Створка боковая усиленная
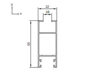
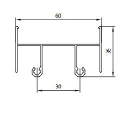
Створка горизонтальная
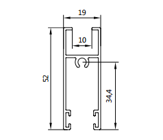
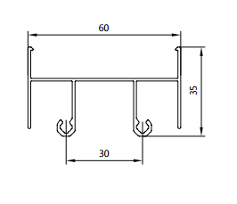
Створка вертикальная центральная
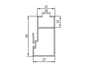
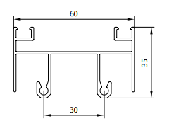
Створка вертикальная боковая
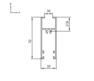
Рама боковая
Рама нижняя
Рама верхняя
Подкладка под заполнение 24 мм
Мы используем файлы cookie для улучшения работы сайта. Продолжая использовать сайт, вы соглашаетесь с использованием cookie.